+39 0425 35225
via l. baruchello 3/1 | rovigo

© 2025 studiobeta | architettura | disegno | ingegneria | p.iva 02590500274 | tutti i diritti riservati | pec | riservatezza
tutti i nodi disegnati per il collegamento delle colonne agli impalcati dell' espansione del centro di visita
2024 | Venezia (VE) | Progettazione esecutiva delle strutture in acciaio all' interno di uno degli opifici della Serenissima in Arsenale














per sostenere le travi reticolari in facciata con elevata luce permettono l' uso a portico del piano terra e la liberazione del cavedio interno
2021 | Reggio Emilia (RE) | Progettazione esecutiva delle strutture in acciaio del nuovo incubatore nel quartiere di Santa Croce















sollevata e montata in un unico tiro a collegare i due piloni tralicciati distanti 62m pronti a rivestirsi di lamiera stirata come nel progetto di Kengo Kuma
2020 | Padova (PD) | Progettazione esecutiva delle strutture in acciaio della nuova porta di accesso alla Fiera di Padova











ricercare la leggerezza strutturale non è una semplice volontà estetica, ma assume il significato della ricerca responsabile dell' economia di realizzazione
2015 | Rovigo (RO) | Progettazione esecutiva della carpenteria metallica strallata











il complesso museale che testimonia la spiritualità dell' uomo sin dal neolitico, si compone di due corpi di fabbrica: abbiamo disegnato tutto il completamento di quello sud
2014 | Aosta (AO) | Progetto esecutivo delle scale, delle passerelle e delle strutture coperture in acciaio













il teatrino progettato da Tadao Ando è dotato di un auditorium con una capacità di 225 posti, completo di foyer e di aree tecniche (camerini, sala regia, cabina per la traduzione simultanea)
2013 | Venezia (VE) | progetto esecutivo di oltre 1500 pezzi diversi d' acciaio











con forme sinuose in lastre di titanio, a coprire uno scheletro in acciaio calandrato, saldato e montato in solo due mesi grazie alla precisione del progetto BIM tridimensionale
2012 | Porto Marghera (VE) | Progettazione esecutiva di tutte le strutture in acciaio per la realizzazione della nuova sala conferenze, della pompeiana, della pensilina della Cittadella dell' Edilizia











lo sviluppo delle travi di sostegno alla copertura di cristallo ha seguito delle modalità di generazione parametrica grazie allo sviluppo di una routine software dedicata
2007 | Padova (PD) | Progetto esecutivo di officina delle strutture in acciaio e dei sistemi di fissaggio della vetrazione della serra nel cuore del parco d' Europa











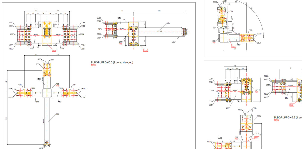
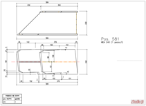
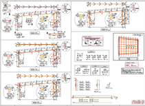
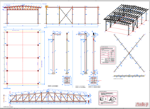
Ci occupiamo della progettazione di strutture metalliche dal 1972 e in questo periodo abbiamo sviluppato autonomamente una metodologia di produzione dei disegni di officina per conto terzi o su progetto esecutivo non propria.
Forniamo tutti gli elaborati necessari alla realizzazione di opere in acciaio e alluminio, comprese le distinte di ordine, le distinte di taglio e di gruppo, i normalini dei pezzi, i disegni dei gruppi e di assieme sino ai disegni di montaggio.
Garantiamo massima congruenza e precisione dei pezzi perché generati da modelli tridimensionali attraverso il controllo completo delle interferenze e delle fasi di montaggio.
L' approccio BIM permette la creazione e la modifica coordinata del modello, la produzione di assonometrie, di esplosi e maschere di montaggio.
Durante la costruzione dell' opera assistiamo le imprese nel montaggio e nel successivo collaudo, fornendo in tempo reale le revisioni di cantiere, il controllo dei pesi e delle aree verniciate. Sotto alcuni esempi significativi.











approfondisci i servizi dedicati al disegno esecutivo conto terzi per le officine di carpenteria metallica visualizzando la brochure accanto
+39 0425 35225
via l. baruchello 3/1 | rovigo
© 2025 studiobeta | architettura | disegno | ingegneria | p.iva 02590500274 | tutti i diritti riservati | pec | riservatezza